

Tank Lorry
ModelSCT-018-25EL
초저온테크에서 제작한 Tank Lorry & trailer는 M.R.I 단열제를 사용한 초고진공 기술을 적용하고
차량 샤시와 저장탱크 간의 간격을 넓히 므로서 탱크 하부 도색을 완벽히 처리할 수 있으며 동절기 염화칼슘으로 인한 부식을 개선합니다.
초저온테크에서 제작한 Tank Lorry & trailer는 Centrifugal Pump 에 대한 NPSH, 케미테이션, 포화가스, 열 손실을 고려하여 설계, 제작합니다.
Technical Index
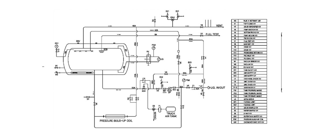
/ Tank Lorry P&I

사양
/ Standards Specification (Tank Lorry)
Model | Gas | Volume(ℓ) | Capacity | Remark | |
---|---|---|---|---|---|
ℓ | ㎏ | ||||
CT-015-17M | LN2 | 16,000 | 114400 | 11640 | 17t MS |
CT-012-17M | LO2 | 13,000 | 117700 | 11340 | |
CT-010-17M | LAr | 11,000 | 9900 | 13860 | |
CT-019-19S | LN2 | 21,000 | 18900 | 15270 | 19.5t SS |
CTL-015-19S | LO2 | 16,000 | 14400 | 16420 | |
CT-014-19S | LAr | 14,000 | 12600 | 17640 | |
CT-025-25EL | LN2 | 25,000 | 22500 | 18180 | 25t ELS |
CT-018-25EL | LO2 | 18,000 | 16200 | 18470 | |
CT-016-25EL | LAr | 16,000 | 14400 | 20160 |
- Standard D.P : 0.4 ㎫ (4㎏/㎠)
- Other special models be possible.
- Other items can be made according to the customers specification