

Hydraulic Motor type TOP
ModelHGT-48-155
HGT-4.8-158 의 동력은 Hydraulic Motor 이며 허용 유량은 10~35m3/h, 토출압력은 최대 3.2MPa까지 도달합니다.
기어박스에서 베어링 하우징으로 유입되는 Perfluoro Polyether Oil은 액체 산소 (LO2)와 액체 산화질소(LN2O)와 같은
산화 가스를 펌핑하는데 적합하며 저장탱크에 이충전 하는데 사용하며 내구성이 뛰어납니다.
고객의 요구를 포괄하는 광범위한 유량 범위를 만족시켜 드릴 수 있고, 생산, 품질 관리를 철저히 수행하며 저온 테스트와
Hydraulic motor unit 테스트 장치에 의해 성능테스트를 거친 후 고객에게 인도되며 효율, MPSH, 소음, 진동의 결과를 제공합니다.
이 펌프는 폭발성 환경에 적합한 ATEX 실행에서도 사용할 수 있습니다.
Technical Index
/ Performance

/ Specification(LN2 기준)
- Model HGT-4.8-158
- Flow Rate210lpm
- NPSHR1~1.2m
- Differential head180m
- Maximum Power17.5hp
- RPM Range 4,080rpm
- Fluid LO2, LN2, LAr, CO2, N2O, Etc
- Drive typeHydraulic motor
/ Features
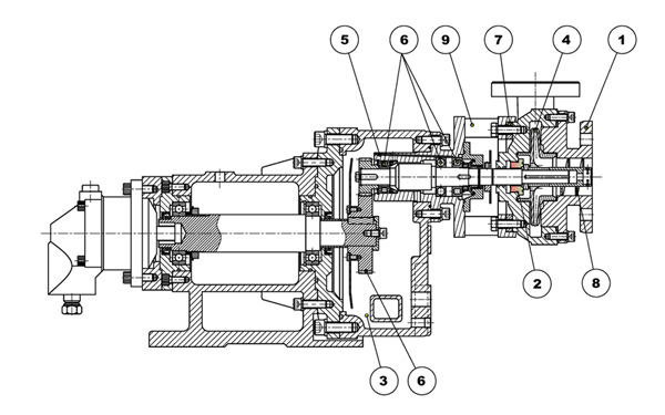
- ①샤프트 동심의 재조정 없이 메카니컬 씰을 손쉽고 안정적 교체
- ②캐빈 씰보다 4배 긴 수명의 메카니컬 씰
- ③불연성 텀블링오일 사용
- ④효율 높은 임펠러
- ⑤베어링 하우징으로 오일유입 탁월, 베어링 수명 연장
- ⑥샤프트 축을 견고히 잡아주는 3개의 베어링으로 구성 원통형 롤러 베어링은 횡 방향 하중 강화
- ⑦임펠러 하우징의 낮은 열 전도성을 차단하는 10mm 절연판
- ⑧낮은 NPSH를 허용하는 스크류 유도 장치
- ⑨4각 파이프 브라켓에 의한 열전도율의 최소화

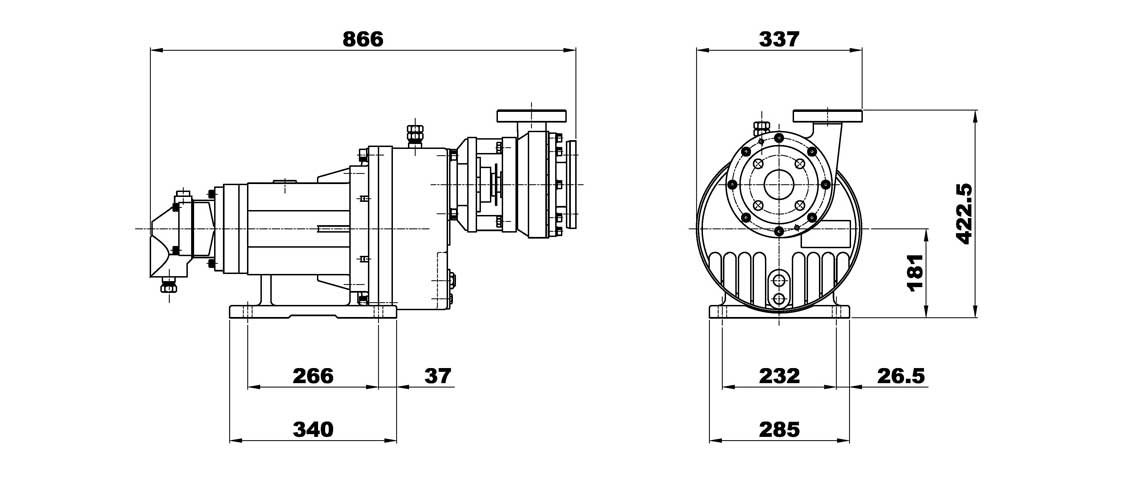
/ Pump Size
