

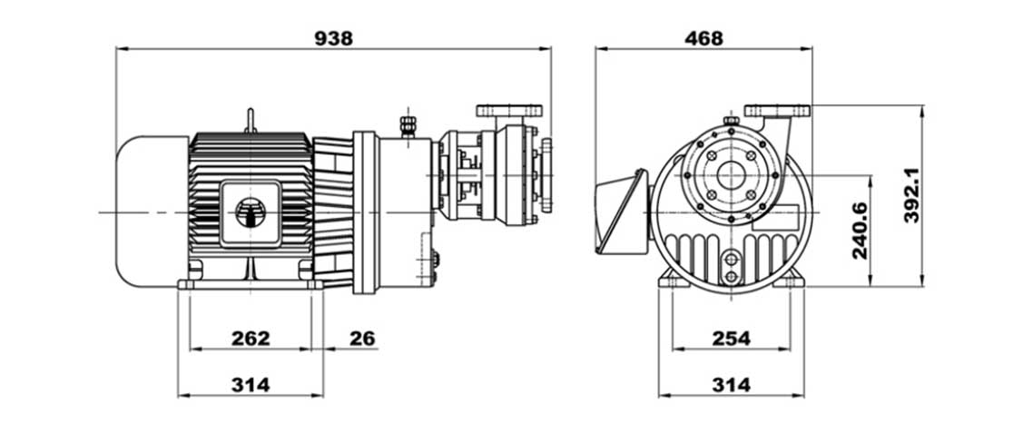
Moter Gear Box type
ModelMGB-4.8-155
MGB-4.8-155의 동력은 Motor로 허용 유량은 10~40 m3/h,
토출압력은 최대 4MPa까지 도달하며 기어박스에서 베어링
하우징으로 유입되는 Perfluoro Polyether Oil은
액체 산소 (LO2)와 액체 산화질소(LN2O)와 같은 산화 가스를
펌핑하는데 적합하며 저장탱크에 이충전 하는데 사용합니다.
이 펌프는 방폭모타를 적용하면 폭발성 환경에
적합한 ATEX 실행에서도 사용할 수 있습니다.
Technical Index
/ Performance

/ Specification(LN2 기준)
- Model MGB-4.8-155
- Flow Rate260lpm
- NPSHR0.41~1.1m
- Differential head220m
- Maximum Power25hp
- RPM Range 7,200rpm
- Fluid LO2, LN2, LAr, CO2, N2O, Etc
- Drive typeElectric motor
/ Features
- ①샤프트 동심의 재조정 없이 메카니컬 씰을 손쉽고 안정적 교체
- ②캐빈 씰보다 4배 긴 수명의 메카니컬 씰
- ③불연성 텀블링오일 사용
- ④효율 높은 임펠러
- ⑤베어링 하우징으로 오일유입 탁월, 베어링 수명 연장
- ⑥샤프트 축을 견고히 잡아주는 3개의 베어링으로 구성 원통형 롤러 베어링은 횡 방향 하중 강화
- ⑦임펠러 하우징의 낮은 열 전도성을 차단하는 10mm 절연판
- ⑧낮은 NPSH를 허용하는 스크류 유도 장치
- ⑨4각 파이프 브라켓에 의한 열전도율의 최소화

/ Pump Size
